Hydrodynamické regulační spojky KSL pro regulaci výkonu ventilátorových mlýnů
24 hydrodynamických regulačních spojek typu KSL pro regulaci výkonu ventilátorových mlýnů kotlů K3, K4 a K5. Komplexní obnova Elektrárny Prunéřov II...
Hydrodynamické regulační spojky typu KSL pro regulaci výkonu ventilátorových mlýnů
KOMPLEXNÍ OBNOVA ELEKTRÁRNY PRUNÉŘOV II
Výrobce hydraulických spojek, firma TRANSFLUID dodala celkem 24 ks hydrodynamických regulačních spojek pro regulaci výkonu ventilátorových mlýnů. Společnost TESPO engineering s.r.o. jako obchodní, technický a servisní zástupce firmy TRANSFLUID v ČR tyto hydrodynamické spojky uváděla do provozu, testovala a následně se stará o servis. Zprovoznění a testování prvních kusů probíhalo pod dohledem firmy Transfluid, zbytek již provedli technici TESPO engineering samostatně.
Části pohonu ventilátorových mlýnů Elektrárna Prunéřov:
- ELEKTROMOTOR
- PRUŽNÉ SPOJKY ARCUSAFLEX
- HYDROSPOJKA KSL 29:
Dávkovací okruh
Mazací okruh
Chladící okruh
Vlastnosti
- PŘEVODOVKA
Části pohonu ventilátorových mlýnů - ELEKTROMOTOR:
V Elektrárně Prunéřov jsou jako pohon ventilátorových mlýnů použity asynchronní elektromotory s kotvou nakrátko těchto parametrů:
- Pn = 750 kW
- Un = 6000 V
- f = 50 Hz
- nn = 1488 ot/min
- In = 93 A
- Mn = 5134 Nm
- m = 3,8 t
- krytí IP55
Maximální povolená doba rozběhu motoru 15 s. Povoleny 3 „studené“ a 2 „teplé“ starty za hodinu. Valivá ložiska s tukovým mazáním a měřením vibrací. Motor pohonu mlýna je uložen na společném základovém rámu.
Části pohonu ventilátorových mlýnů - PRUŽNÉ SPOJKY
Pro spojení hřídele elektromotoru se vstupní hřídelí hydrodynamické regulační spojky jsou použity pružné spojky typu ARCUSAFLEX AC8. Identické spojky slouží též ke spojení výstupní hřídele hydrospojky a převodovky ventilátorového mlýnu.
Spojka typu ARCUSAFLEX AC8:
- Mn = 9200 Nm
- otáčky = 2300 ot/min.
Pružné segmenty jsou vyrobené z přírodního kaučuku. Spojky mají vysokou torzní pružnost s lineární charakteristikou a dobrou schopnost absorbovat vibrace. Předností je i snadná montáž a demontáž.
Části pohonu ventilátorových mlýnů - HYDRODYNAMICKÁ REGULAČNÍ SPOJKA KSL 29
Hydrospojka KSL:
- velikost 29
- výkon 1250 kW,
- otáčky 1097 –1455 ot/min,
- náplň 300 l oleje
Všeobecné informace:
Regulační hydrodynamická spojka KSL je určena pro rozběh a regulaci otáček v aplikacích se středním a vysokým výkonem elektromotorů. Jde o regulační hydrodynamickou spojku, která umožňuje čerpání oleje do pracovního prostoru (oběžné turbíny). Olej se do tohoto prostoru čerpá z cirkulačního okruhu pomocí olejového šroubového čerpadla poháněného elektromotorem s frekvenčním měničem.
Řídící proudový signál 4-20 mA zadávaný do frekvenčního měniče řídí otáčky čerpadla pracovního oleje hydrospojky. Čím více oleje se čerpá do prostoru oběžné turbíny hydrospojky, tím větší jsou i otáčky její výstupní hřídele.
Olej z pracovního prostoru hydrospojky vytéká kalibrovanými tryskami po obvodě oběžné turbíny zpět do tanku s olejem. Mazání ložisek zajišťuje samostatný mazací okruh s mazacím čerpadlem. Zahřátý olej se chladí přes deskový výměník chladícího okruhu.
Dávkovací (pracovní) okruh hydraulické regulační spojky KSL:
Dávkovací okruh hydrospojky KSL je samostatný nezávislý okruh obsahující:
- dávkovací čerpadlo s frekvenčním měničem
- třícestný manuální kohout pro ruční regulaci otáček
- olejový filtr
- čidlo podtlaku filtru
- třícestný manuální kohout pro by-pas (výměnu olejového filtru za chodu)
Rozběh a regulace hydrodynamické spojky v automatickém provozu probíhá dávkováním oleje do hydrospojky prostřednictvím čerpadla řízeného frekvenčním měničem. Pro případ poruchy frekvenčního měniče však existuje možnost, jak hydrospojku zachovat v chodu a manuálně regulovat výstupní otáčky. Slouží k tomu ruční třícestný kohout na výstupu dávkovacího čerpadla. Pomocí tohoto kohoutu se ručně dávkuje množství oleje do hydrospojky, přestože neřízené dávkovací čerpadlo pracuje na plný výkon. Tímto způsobem je možné hydrodynamickou regulační spojku nejen uvést do provozu a regulovat otáčky za chodu, ale je možné ji také rychle odstavit (odpojit elektromotor od ventilátorového mlýnu), např. při případném problému samotného ventilátorového mlýnu při uvádění do provozu.
Aby mohla být provedena výměna olejového filtru dávkovacího okruhu i za chodu, je třeba na nezbytně dlouhou dobu přepnout na by-pasovou větev dávkovacího okruhu. To lze provést pomocí druhého trojcestného by-pas kohoutu. Stav průchodnosti olejového filtru monitoruje podtlakový spínač umístěný na filtru. Signál spínače je monitorován centrálním systémem řízení.
Mazací okruh hydraulické regulační spojky KSL:
Mazací okruh hydrospojky KSL je samostatný nezávislý okruh obsahující:
- zubové čerpadlo mazání
- olejový filtr
- diferenční čidlo tlaku na filtru
- tlakový spínač oleje mazacího okruhu
Mazací okruh hydrospojky KSL zajišťuje mazání ložisek. Diferenční čidlo tlaku na filtru posílá informaci o stavu filtru do velínu ve formě proudového signálu. Tlakový spínač oleje v mazacím okruhu zabezpečuje spolehlivé mazání ložisek. Filtr oleje mazacího okruhu lze vyměnit i za chodu hydraulické spojky KSL.
Chladící okruh hydraulické regulační spojky KSL:
Chladící okruh hydrospojky KSL je samostatný nezávislý okruh obsahující:
- čerpadlo chlazení
- deskový výměník
- čidla a spínače teplot
Chladící okruh se stará o udržení teploty oleje v tanku hydrospojky v nastavených mezích. Vychlazování oleje probíhá skrz deskový výměník napojený na chladící vodu elektrárny. Proces chlazení oleje je zabezpečený a monitorovaný několika nezávislými čidly a spínači napojenými na centrální řídící systém.
Kromě výše uvedených snímačů jsou součástí hydrospojky KSL další systémy vyhodnocující její stav (otáčky na výstupu, množství oleje v tanku, teploty v různých místech, tlaky...).
Výhody konstrukce hydrodynamických regulačních spojek TRANSFLUID:
1. Demontáž:
Konstrukce hydraulické regulační spojky KSL, nabízí možnost demontáže hlavního bloku hydrospojky a servis všech rotačních částí bez nutnosti demontáže hydrospojky, nebo elektromotoru ze své pozice.
U konstrukcí hydraulických spojek, které toto neumožňují, je při servisu nebo opravě nutné demontovat z pozice těžkou hydrospojku nebo elektromotor, provést opravu, poté vrátit na pozici a celý pohon znovu ustavit. V takovém případě jde o těžkou, náročnou a drahou manipulaci.
2. Servis:
Samostatné okruhy dávkování, mazání a chlazení oleje umožňují snazší údržbu a opravy za použití běžného vybavení.
Některé výhody KSL oproti frekvenčnímu měniči:
- vyšší účinnost v regulačním rozsahu 85 – 100%
- velmi dobrá mechanická momentová ochrana soustrojí
- nižší pořizovací cena
- snazší oprava při poruše, menší závislost na výrobci, pro běžnou údržbu a opravy není třeba vysoce specializovaný servisní technik
Některé nevýhody KSL oproti frekvenčnímu měniči:
- větší zástavbový prostor pohonu ventilátorového mlýnu
- péče o olejové a vodní hospodářství
- otáčky na výstupu hydrospojky nemohou být vyšší než otáčky motoru
Některé výhody KSL oproti hydrospojkám s konstantním plněním:
- možnost regulace otáček
- regulované hydrospojky umožňují variabilní nastavení charakteru rozběhu a doběhu
- regulované hydrospojky je možné přeplnit olejem a dosáhnout tak menšího skluzu (vyšší účinnosti) při ustáleném chodu
- při použití výměníku pro chlazení oleje, lze přenést u regulovaných hydrospojek i větší výkon
- při použití rychlo-vypouštěcích kalibrovaných trysek lze dosáhnout odstavení zařízení od pohonu během několika sekund
Části pohonu ventilátorových mlýnů - PŘEVODOVKA
Ventilátorové mlýny v Elektrárně Prunéřov jsou vybaveny jednostupňovými čelními převodovkami:
- Pn = 800 kW
- vst. kr. moment = 5 294 Nm
- výst. kr. moment = 11 536 Nm
- převod i = 2,179
- vstupní otáčky = 1455 ot/min
- výstupní otáčky = 668 ot/min
Převodovky jsou upevněny na nových základových rámech. Převodový poměr je volen tak, že jmenovité otáčky motoru 1488 ot/min, resp. výstupní otáčky z hydrodynamické spojky 1455 ot/min, jsou redukovány na maximální otáčky mlecího kola 668 ot/min.
Skříň převodovky je dvoudílná, vyrobená z ocelolitiny. Hlavní i předlohová hřídel jsou uloženy ve valivých ložiscích. Kroutící moment je přenášen koly se šikmým ozubením. Výstupní konec hlavní hřídele je opatřen kuželem pro uložení mlecího kola a zápichem pro opěrný kroužek upevnění mlecího kola. K chlazení a mazání ložisek a ozubení převodových kol se používá samostatný olejový okruh.
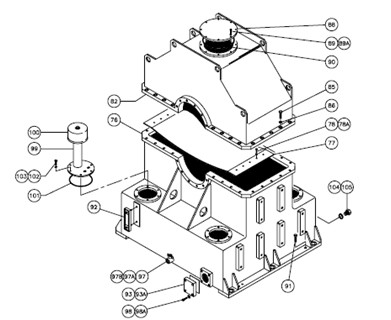
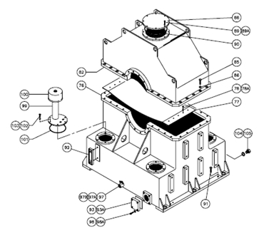
Galerie
Okruh chlazení hydrospojky s čerpadlem
Dávkovací pracovní okruh hydraulické regulační spojky KSL
Dynamicky plněné regulační spojky na ventilátorových mlýnech v provozu Elektrárny Prunéřov
Elektromotor ventilátorového mlýnu 750 kW, 6000 V, 1488 ot-min, 38t
Část dávkovacího okruhu s elektromotorem čerpadla pracovního oleje
Sestava pohonu ventilátorového mlýnu s regulační hydrospojkou
Hydraulická regulační spojka KSL
Samostatné okruhy dávkování oleje, mazání a chlazení hydrospojky umožňují snadný servis
Pohon ventilátorového mlýnu - kompletní sestava
Chladící okruh hydraulické regulační spojky KSL
Dělená konstrukce hydraulické regulační spojky
Mazací okruh hydraulické regulační spojky KSL
Mazací okruh hydraulické spojky s motorem a by-pasovym kohoutem
Pružná spojka ARCUSAFLEX je použita na spojení elektromotoru a hydrospojky
Hřídelové spojení spojkou Arcusaflex
Převodovka ventilátorového mlýnu má vstupní otáčky regulované hydrospojkou
Pružné spojky typu ARCUSAFLEX AC8 se snadnou montáží a demontáží
Elektromotor 6 kV přes regulovanou hydrospojku pohání ventilátorový mlýn na uhlí